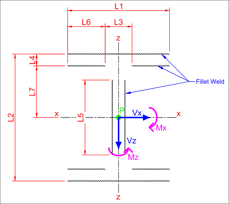
Fillet Weld Size of Wide Fange
Home
Load Type:
ASD
LRFD
Shear force in X, Vx:
kips
Moment about Z, Mz:
k-ft
Shear force in Z, Vz:
kips
Moment about X, Mx:
k-ft
Tension Force, P:
kips
Torque, T:
k-ft
Electrode grade:
ksi
Length, L1:
in
Length, L2:
in
Length, L3:
in
Length, L4:
in
Length, L5:
in
Calculate
L6:
inch
L7:
inch
Moment of inertia about X:
inch^3
Moment of inertia about Z:
inch^3
Polar moment of inertia:
inch^3
Shear stress in X due to torque:
kips/inch
Shear stress in Z due to torque:
kips/inch
Shear stress due to Vx:
kips/inch
Shear stress due to Vz:
kips/inch
Resultant in-plane stress:
kips/inch
Tensile stress due to Mx:
kips/inch
Tensile stress due to Mz:
kips/inch
Resultant tensile stress:
kips/inch
Tensile stress due to P:
kips/inch
Resultant out-of-plane stress:
kips/inch
Resultant stress:
kips/inch
Weld strength per 1/16" of weld:
kips/in/(1/16")
Required weld size:
1/16"